Яндекс.Метрика

ЗУБР СКД 6005, 50 х 4.8 мм, зелёный насыщ., 250 шт (1,8 кг.), кровельный саморез, Профессионал (4-300315-48-050-6005)

ЗУБР СКД 6005, 50 х 4.8 мм, зелёный насыщ., 250 шт (1,8 кг.), кровельный саморез, Профессионал (4-300315-48-050-6005)
ЗУБР СКД 6005, 50 х 4.8 мм, зелёный насыщ., 250 шт (1,8 кг.), кровельный саморез, Профессионал (4-300315-48-050-6005)
1 350 ₽
Количество
шт

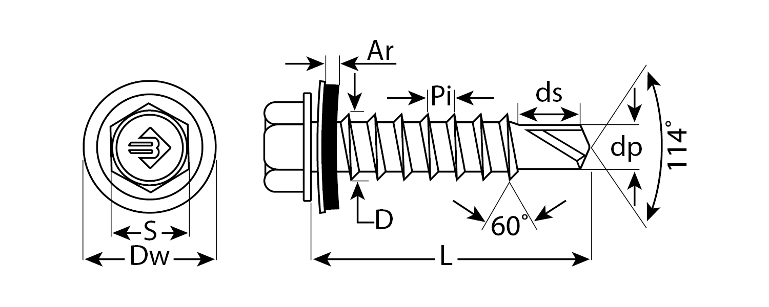
Кровельные саморезы изготовлены из стального прутка с высоким содержанием углерода. Контроль за геометрией самореза начинается с калибровки прутка и заканчивается тщательной проверкой размеров готового изделия. Нормативная твердость стали достигается термической обработкой. Поверхностная твердость мин. 560HV, твердость в сердцевине 240-425HV. Шайба с прокладкой EPDM плотно прижимается к кровельному материалу, герметизируя просверленное отверстие. Шестигранная головка выдерживает большой крутящий момент и значительно облегчает вкручивание самореза. Геометрические размеры: диаметр шайбы (Dw) - 13.90-14.15мм, толщина прокладки (Ar) - 2мм, Размер под ключ (S) - 7.8-7.9мм, диаметр резьбы (D) - 4.75-4.95мм, диаметр сверла (dp) - 2.8-2.9мм, длина сверла (ds) - 4.0-4.8мм, шаг резьбы (Pi) - 2.12мм.

Преимущества

  • Прокладка EPDM сохраняет свои свойства при частых изменениях нагрузок, температуры и воздействии УФ излучения
  • Окраска головки с шайбой выполнена методом порошкового напыления. Cтандарт RAL поможет безошибочно подобрать саморезы под цвет кровельных материалов.
  • Улучшенная геометрия сверла обеспечивает быстроту и легкость сверления в черепице и листовых кровельных материалах
  • Цинковое покрытие надежно защищает от коррозии

Использование

Для крепления кровельных материалов к деревянной обрешетке (металлическим конструкциям)

ЗУБР СКД 6005, 50 х 4.8 мм, зелёный насыщ., 250 шт (1,8 кг.), кровельный саморез, Профессионал (4-300315-48-050-6005)
1 350 ₽